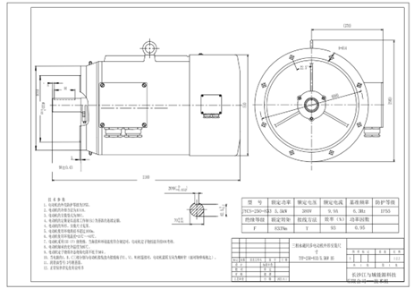
4.1永磁直驱电机系统构成
主要有两部分组成:JYCS永磁直驱电机和JYCS高性能矢量变频器。

4.2永磁直驱电机系统特性
4.2.1电机的高效率
永磁直驱电机电子转子采用永磁体,具有永久性强磁特性,无需励磁电流,运行时实现不同负载情况下效率保持在93.5%以上,过载能力强,相对普通三相异步电机,可提高效率8%-20%。
4.2.2 简洁的传动机构
永磁直驱电机接与负载相连,无任何机械传动结构,避免能量传动损耗,效率提高7%-43%(与各种不同的传动机构形式相比),降低振动和噪音,安装方便,维护少。





